上海喝茶大学生vx,上门卖身电话24小时服务同城信息app免费安装 ,qq里面的同城服务怎么找100块约3小时上门人到付款 ,同城信息约跑网网址

杭州非耀真空设备有限公司欢迎您!

收藏本站网站地图

14年专注真空泵研发制造量身定制真空系统解决方案

0571-89969291

13023600229

关注微信号
液环式真空泵
关于水环式真空泵气蚀,我们需要这样做【非耀】
返回列表 来源: 发布日期: 2020.08.19

随着真空应用的发展,真空泵的种类已发展了很多种,水环式真空泵虽然属于粗真空泵,但在中国的石油、化工、电力、轻纺、造纸、医药等领域仍然有着很大的市场。在实际使用过程中,会有出现水环式真空泵气蚀现象,那么这种现象出现的原因是什么呢?又有什么危害呢?

水环式真空泵一般选择用水作为工作液,也可以使用甲醇、乙醇、二苯甲等有机液体以及变压器油等作为工作液。 每种液体在一定温度下都有相应的饱和蒸汽压力,水环式真空泵在工作时,存留在泵内的空气使气泡产生破裂,对叶轮表面造成伤害。水环式真空泵气蚀造成的后果就是在叶轮表面现成蜂窝状凹陷,降低水环式真空泵的工作效率和寿命的同时提高了汽蚀导致的噪声和振动。既然水环式真空泵气蚀的危害那么大,我们如何防止气蚀作用的产生呢?

水环式真空泵 水环真空泵 液环泵 非耀水环式真空泵

非耀水环式真空泵


从水环式真空泵气蚀现象产生的原因上我们就可以找到预防的方法,首先我们可以从降低工作液的温度上入手,也就是给泵降温,加装一个换热器,利用循环水给水泵持续降温。我们也可以在泵盖上设计一个气蚀孔,安装气蚀?;す苈罚ㄈ缬衅悍掷肫鳎部梢粤拥狡悍掷肫鳎?,通过平衡泵腔和外界的压力,从而减少气蚀对泵体内部的损害。也可以选择饱和蒸汽压力较低的液体作为工作液, 要求这一类工作液的密度、黏性系数等接近水的参数。除此之外,还可以从真空泵的材质上找到办法,选择耐气蚀作用能力强的材质,例如采用不锈钢304材质来制造叶轮。

水环式真空泵结构图 水环真空泵结构图 非耀水环式真空泵结构图

水环真空泵结构图


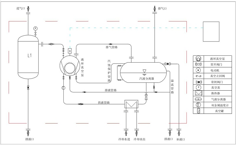
上述方法,是目前为止降低水环式真空泵气蚀现象发生常用的手段。杭州非耀真空设备有限公司,以:“为用户的真空要求提供系统的解决方案,用户的问题就是我们的工作主题”为使命,解决用户在使用过程中的一项又一项难题。公司现在生产销售的2BW系列闭路循环机组,包含气液分离器、换热器、机架、内部管线等附件。不仅可以降低气蚀对真空泵的损害,还可以循环使用工作液,降低环境污染的同时,也大大节省了工厂的成本。

水环式真空泵闭路循环系统流程图 2BW系列闭路循环系统流程图

水环式真空泵闭路循环系统流程图


联系非耀

咨询热线

0571-89969291
非耀在线客服

在线客服

技术咨询 售后服务
非耀服务热线 0571-89969291